Purpose
This guide provides instructions on how to reset Error 87 (Error Stop Input - ESTP) in Omron 1S Servo Drives using Sysmac Studio. The ESTP function is designed to stop motor rotation when triggered by an external device, ensuring safety and controlled motor shutdown.
Explanation
Error 87 occurs when the Error Stop Input (ESTP) signal is activated while the servomotor is energized.
This signal can be triggered due to incorrect wiring, unexpected input activation, or an intentional stop command.
The objective is to guide users on how to reset the error and restore normal motor operation either by properly wiring the ESTP input or by disabling it if not required.
Supported devices
Requirements
Omron 1S Series Servo Drives
Sysmac Studio software for configuration and reset
Procedure
How To Reset 1S ECT Error 87 "Error Stop Input (ESTP)" With Sysmac Studio
Error Stop Input (ESTP) This signal is used to forcibly generate an error to stop motor rotation from an external device.
• If the Error Stop Input (ESTP) signal turns ON during motor rotation, the Servomotor stops according to the setting in the Stop Selection – Fault Reaction Option Code (3B20-04 hex).
• If the Error Stop Input (ESTP) signal turns ON when the Servomotor is energized, the Error Stop Input (Error No. 87.00) will occur.


Method 1: Resetting it manually:
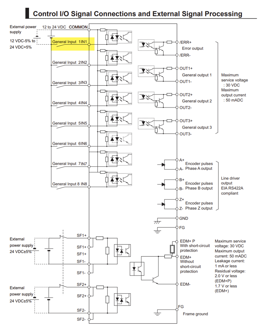
Step 1: looks like INPUT is not wired but is set to be used, if you need this INPUT Must be wired.

Step 2: You must connected PIN 12 General input 1 (IN1 Error Stop Input (ESTP)) and PIN 36 COMMON.

Method 2: Resetting Disable all inputs.
Step 1: If you do not need this INPUT, Set it as Disabled - Disable all inputs - specifically INPUT 1 as that is ESTOP by default.


Step 2: Be sure to transfer them to the drive and cycle power after Synchronize your project.
For more detailed information, refer to the 1S Series User Manual
Date/Revision History
First review 01/11/2025 V1.0
2nd Review 02/05/2025
Author:
Aimee Rivera, Technical Support Engineer
References
Was this article helpful?
That’s Great!
Thank you for your feedback
Sorry! We couldn't be helpful
Thank you for your feedback
Feedback sent
We appreciate your effort and will try to fix the article