Q: What’s the difference between GX-ID1611 (2 tier) or GX-ID1612 (3 tier)
A: Generally speaking
2 Tier refers to 2 rows of terminals and therefore, a longer footprint (Left to Right) with shorter profile (DIN Rail to front of cabinet)
3 Tier refers to 3 rows of terminals and therefore, a shorter footprint (Left to Right) with taller profile (DIN Rail to front of cabinet)
They are both 16 point input modules (NPN)
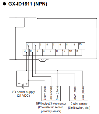
GX-ID1611 has 1 common per 16 points
GX-ID1612 has 1 common per 8 points (2 total)
They would then also have different wiring diagrams
Starting on page 107
GX-series EtherCAT Slave Units User’s Manual
(page 7-10) 1611 – 16points, NPN, 16 points/common, expansion function compatible
(page 7-28) 1612 – 8 points / common, expansion function not compatible
(page 7-13)

( page 7-31)

Date/Revision History
Track the changes made to the document over time. Include dates and a brief summary of each update or revision.
Ex.
First review 9/29/2025 V1.0
Author:
Ed Gallagher – Technical Support Specialist
References
GX-series EtherCAT Slave Units User’s Manual
Was this article helpful?
That’s Great!
Thank you for your feedback
Sorry! We couldn't be helpful
Thank you for your feedback
Feedback sent
We appreciate your effort and will try to fix the article