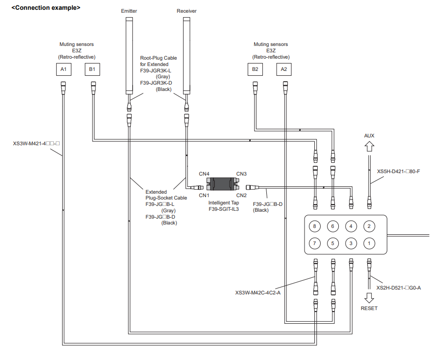
Q: What is the cable pinout for the CN0 connector of the F39-GCN5 (F3SG-SR Light curtain series muting box)
A: The cables recommended to wire the F39-GCN5 muting box are shown below:
CN0: F39-JG3A-D (3 meter cable)
CN1: XS2H-D521-CG0-A (1 meter cable)
CN2: XS5H-D421-C80-F (1 meter cable)
CN3: F39-JG3B-L (3 meter cable)
CN4: F39-JG3B-D (3 meter cable)
CN5: XS3W-M42C-4C2-A + XS3W-M421-401-R ( Muting box cable, Muting sensor cable)
CN6: XS3W-M42C-4C2-A + XS3W-M421-401-R ( Muting box cable, Muting sensor cable)
CN7: XS3W-M42C-4C2-A + XS3W-M421-401-R ( Muting box cable, Muting sensor cable)
CN8: XS3W-M42C-4C2-A + XS3W-M421-401-R ( Muting box cable, Muting sensor cable)
*For different lengths, refer to F3SG-SR Datasheet, pages 10 and 16.



Date/Revision History
First review 09/21/2025 V1.0
Author:
Karla Flores Avila, Technical Support Specialist
References
Was this article helpful?
That’s Great!
Thank you for your feedback
Sorry! We couldn't be helpful
Thank you for your feedback
Feedback sent
We appreciate your effort and will try to fix the article