Purpose
This text will explain the basic wiring to connect an F3SG-SR/PG to an intelligent tap.
Problem Explanation/Objective
Wiring problems due to wiring and setup using connections sometimes can be confusing when trying to set up a new application with light curtains, that is why the intelligent tap could be the best option even if more cables are required.
Supported devices
- F3SG-SR/PG Series
Requirements
- F3SG-SR/PG Series
- F39-JGR3K-D / F39-JGR3K-L (Connector cables)
- F39-JG3B-D / F39-JG3B-L (Extension cables)
- F39-JGA-D (Power cable)
- USB Type-C
- F39-SGIT-IL3 (Intelliget tap)
Procedure
- Connect the Intelligent Tap to the F3SG-SR/PG. Set the Intelligent Tap DIP-SW as the factory default settings. As shown below, set the DIP switch channel 1 as ON (lock) and channels 2 to 8 as OFF.

- Turn the power on. Then the Intelligent Tap performs the Backup automatically and restarts itself.
- Setting with SD Manager 3 Connect a USB-CTM cable to the Intelligent Tap and operate it by referring to the following chapter in the manual - "Setting with SD Manager 3" on the manual.
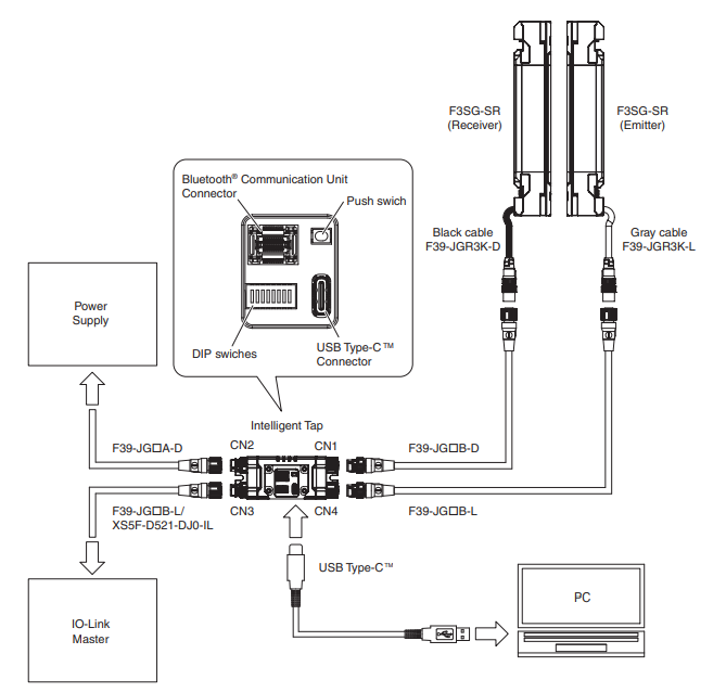
Cable wiring:

Date/Revision History
First review 02/04/2025 V1.0
2nd review 02/07/2025 V1.1
Author:
Diego Roses, Technical Support Engineer
References
Manual - https://assets.omron.com/m/1f2f85ffac58aff3/original/F3SG-SR-Series-User-s-Manual.pdf
Was this article helpful?
That’s Great!
Thank you for your feedback
Sorry! We couldn't be helpful
Thank you for your feedback
Feedback sent
We appreciate your effort and will try to fix the article